Now Available: AS09 NMEA 2000 Rudder Angle Sensor – Accurate, Real-Time Rudder Monitoring

We’re proud to announce the release of our newest innovation in marine instrumentation—the AS09 NMEA 2000 Rudder Angle Sensor. Engineered for precision, reliability, and seamless integration, the AS09 gives skippers, technicians, and autopilot systems a clear, real-time picture of rudder position—crucial for safe and accurate vessel control.
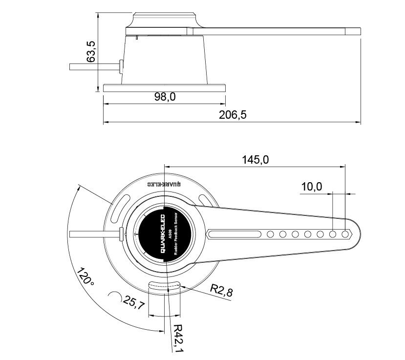
Designed for Modern Marine Systems
The AS09 is a plug-and-play rudder angle sensor that outputs directly to NMEA 2000, making it compatible with all major marine electronics brands. Whether you’re outfitting a new vessel or upgrading an existing system, the AS09 is designed to integrate smoothly and deliver dependable data every time you turn the helm.
Built to Last – Above and Below Deck
Constructed with rugged, marine-grade materials and designed for the harshest environments, the AS09 is built to withstand years of use in demanding conditions. Its waterproof housing and corrosion-resistant components make it ideal for sailboats, powerboats, and commercial vessels alike.
Key Features:
- Precise rudder angle detection with fast, real-time updates
- Direct NMEA 2000 output for seamless integration
- Wide mechanical range of motion for various installation setups
- Durable and waterproof—built to withstand marine environments
- Simple installation with pre-installed connectors and mounting bracket
Why Rudder Feedback Matters
A reliable rudder angle sensor is essential for:
- Autopilot systems to function correctly
- Navigators to understand helm position when visibility is limited
- Monitoring and logging steering behavior
- Ensuring safer docking and close-quarters maneuvering
With the AS09, you get accurate data that you can trust—whether you’re sailing solo or managing a busy bridge.
Available Now
The AS09 NMEA 2000 Rudder Angle Sensor is now available through our official store. It’s an essential upgrade for any vessel seeking enhanced control and safety.
👉 Click here to learn more or order your AS09 now

